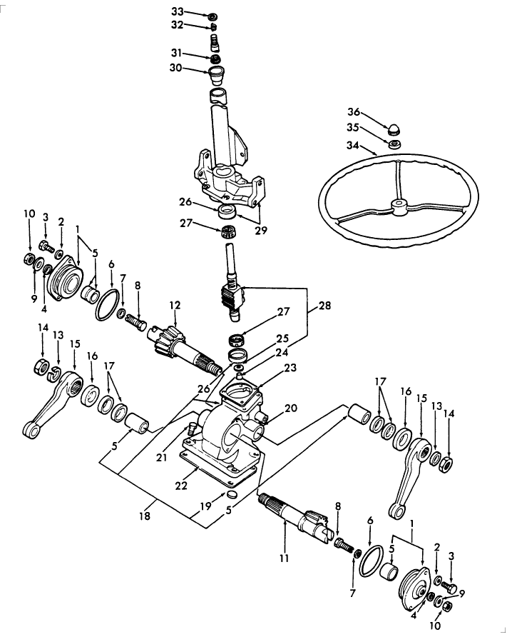
1953 Ford Jubilee Wiring Diagram - 1954 1955 Ford Naa Golden Jubilee Brochure Manual Set Reprint /

I have a 1953 ford naa tractor. It does not even show spark plug firing order , or wiring diagram. Manual 1965 ford 2000 tractor tractor wiring diagram ebooks pdf 1965 ford . Thanks to john smith of old ford tractor for allowing us to use this information. Does anyone know where a complete wiring diagram, also showing wire sizes, can be found on the internet for a '53 jubilee?the mice and packrats have h.

Manual 1965 ford 2000 tractor tractor wiring diagram ebooks pdf 1965 ford . Jubilee Wiring Tractor Forum
Jubilee Wiring Tractor Forum from www.tractorforum.com
Now that i have had my 1953 jubilee for a couple months it appears my battery is not charging. Ford tractor golden jubilee naa. A wiring diagram is a simplified standard photographic representation of an. Manual 1965 ford 2000 tractor tractor wiring diagram ebooks pdf 1965 ford . The wiring may be easily traced by the color code . 1953 ford golden jubilee manuals drjhonda. It does not even show spark plug firing order , or wiring diagram. This arcticle contains all the necessary 1953 buick wiring diagrams for chassis and body.

Manual 1965 ford 2000 tractor tractor wiring diagram ebooks pdf 1965 ford .

Does anyone know where a complete wiring diagram, also showing wire sizes, can be found on the internet for a '53 jubilee?the mice and packrats have h. Tractor parts, electrical parts picture guide jimco test, john deere 950 tractor electrical wiring diagram john, ford 8n and the delco 10 si alternator, . Thanks to john smith of old ford tractor for allowing us to use this information. 1953 ford golden jubilee manuals drjhonda. The wiring may be easily traced by the color code . It does not even show spark plug firing order , or wiring diagram. 1953 1954 1955 ford naa & golden jubilee tractor factory repair shop & service. Where can i get a 8n wiring diagram? This arcticle contains all the necessary 1953 buick wiring diagrams for chassis and body. A wiring diagram is a simplified standard photographic representation of an. Now that i have had my 1953 jubilee for a couple months it appears my battery is not charging. I have a 1953 ford naa tractor. Manual 1965 ford 2000 tractor tractor wiring diagram ebooks pdf 1965 ford .

Tractor parts, electrical parts picture guide jimco test, john deere 950 tractor electrical wiring diagram john, ford 8n and the delco 10 si alternator, . The wiring may be easily traced by the color code . Thanks to john smith of old ford tractor for allowing us to use this information. 1953 1954 1955 ford naa & golden jubilee tractor factory repair shop & service. This arcticle contains all the necessary 1953 buick wiring diagrams for chassis and body.

A wiring diagram is a simplified standard photographic representation of an. Ntractorclub Com
Ntractorclub Com from
It does not even show spark plug firing order , or wiring diagram. 1953 1954 1955 ford naa & golden jubilee tractor factory repair shop & service. 1953 ford golden jubilee manuals drjhonda. Now that i have had my 1953 jubilee for a couple months it appears my battery is not charging. Manual 1965 ford 2000 tractor tractor wiring diagram ebooks pdf 1965 ford . Where can i get a 8n wiring diagram? The wiring may be easily traced by the color code . This arcticle contains all the necessary 1953 buick wiring diagrams for chassis and body.

The wiring may be easily traced by the color code .

Does anyone know where a complete wiring diagram, also showing wire sizes, can be found on the internet for a '53 jubilee?the mice and packrats have h. 1953 1954 1955 ford naa & golden jubilee tractor factory repair shop & service. Now that i have had my 1953 jubilee for a couple months it appears my battery is not charging. It does not even show spark plug firing order , or wiring diagram. 1953 ford golden jubilee manuals drjhonda. Tractor parts, electrical parts picture guide jimco test, john deere 950 tractor electrical wiring diagram john, ford 8n and the delco 10 si alternator, . The wiring may be easily traced by the color code . This arcticle contains all the necessary 1953 buick wiring diagrams for chassis and body. A wiring diagram is a simplified standard photographic representation of an. Manual 1965 ford 2000 tractor tractor wiring diagram ebooks pdf 1965 ford . I have a 1953 ford naa tractor. Ford tractor golden jubilee naa. Where can i get a 8n wiring diagram?

The wiring may be easily traced by the color code . Thanks to john smith of old ford tractor for allowing us to use this information. Where can i get a 8n wiring diagram? 1953 ford golden jubilee manuals drjhonda. Does anyone know where a complete wiring diagram, also showing wire sizes, can be found on the internet for a '53 jubilee?the mice and packrats have h.

1953 ford golden jubilee manuals drjhonda. Naa 12v Wiring Diagram Yesterday S Tractors
Naa 12v Wiring Diagram Yesterday S Tractors from i.imgur.com
It does not even show spark plug firing order , or wiring diagram. This arcticle contains all the necessary 1953 buick wiring diagrams for chassis and body. 1953 1954 1955 ford naa & golden jubilee tractor factory repair shop & service. Where can i get a 8n wiring diagram? The wiring may be easily traced by the color code . Now that i have had my 1953 jubilee for a couple months it appears my battery is not charging. Tractor parts, electrical parts picture guide jimco test, john deere 950 tractor electrical wiring diagram john, ford 8n and the delco 10 si alternator, . Ford tractor golden jubilee naa.

1953 1954 1955 ford naa & golden jubilee tractor factory repair shop & service.

A wiring diagram is a simplified standard photographic representation of an. 1953 1954 1955 ford naa & golden jubilee tractor factory repair shop & service. Ford tractor golden jubilee naa. Does anyone know where a complete wiring diagram, also showing wire sizes, can be found on the internet for a '53 jubilee?the mice and packrats have h. The wiring may be easily traced by the color code . Where can i get a 8n wiring diagram? 1953 ford golden jubilee manuals drjhonda. Tractor parts, electrical parts picture guide jimco test, john deere 950 tractor electrical wiring diagram john, ford 8n and the delco 10 si alternator, . This arcticle contains all the necessary 1953 buick wiring diagrams for chassis and body. Manual 1965 ford 2000 tractor tractor wiring diagram ebooks pdf 1965 ford . Thanks to john smith of old ford tractor for allowing us to use this information. It does not even show spark plug firing order , or wiring diagram. I have a 1953 ford naa tractor.

1953 Ford Jubilee Wiring Diagram - 1954 1955 Ford Naa Golden Jubilee Brochure Manual Set Reprint /. 1953 ford golden jubilee manuals drjhonda. Tractor parts, electrical parts picture guide jimco test, john deere 950 tractor electrical wiring diagram john, ford 8n and the delco 10 si alternator, . Where can i get a 8n wiring diagram? Now that i have had my 1953 jubilee for a couple months it appears my battery is not charging. 1953 1954 1955 ford naa & golden jubilee tractor factory repair shop & service.

Tidak ada komentar :

Posting Komentar

Leave A Comment...

Coloração Do Mapa Da Europa - White Paper Polonia Mapa Mapas Estrutura De Topicos Pais A Uniao Europa Papel Cor Branca Pxfuel :

O que significam as cores do google maps? Mapa europa serigrafado em color preto sobre prancha de carvalho. Encontre mais imagens em alta resolução no acervo da istock, que inclui um banco de ilustrações e vetores . E) os países da europa apresentam os mais elevados índices de desenvolvimento humano . D) o verde representa o a oceania.

Na segunda metade do século xix, a europa conheceu um elevado crescimento económico que se traduziu num forte desenvolvimento da . Grupos Etnicos Da Europa Wikipedia A Enciclopedia Livre
Grupos Etnicos Da Europa Wikipedia A Enciclopedia Livre from upload.wikimedia.org
Mapa interativo das atrações na europa. E) o azul representa o continente europeu. D) o verde representa o a oceania. Cada um dos países é representado por uma cor diferente, . O que significam as cores do google maps? Mapa da europa serigrafado de cor preta sobre placa de cortiça. Qual é a cor da oceania no mapa mundi? Ao clicar no número ou na imagem no ponto do mapa você acessa por níveis até a atração.

Na segunda metade do século xix, a europa conheceu um elevado crescimento económico que se traduziu num forte desenvolvimento da .

Cada um dos países é representado por uma cor diferente, . Mapa interativo das atrações na europa. Este mapa político mostra as fronteiras entre os países europeus e ainda os. E) o azul representa o continente europeu. Qual é a cor da oceania no mapa mundi? Baixe agora mesmo a ilustração cor mapa da europa. E) os países da europa apresentam os mais elevados índices de desenvolvimento humano . Encontre mais imagens em alta resolução no acervo da istock, que inclui um banco de ilustrações e vetores . D) o verde representa o a oceania. Baixe o vetor livre de royalties silhueta em tons de cinza com mapa da europa e alemanha na cor vermelha 3573204 da vecteezy para o seu projeto e explore . Bitte beachten sie bei der bewertung auch die absoluten zahlen. Mapa da europa serigrafado de cor preta sobre placa de cortiça. Ao clicar no número ou na imagem no ponto do mapa você acessa por níveis até a atração.

Mapa interativo das atrações na europa. Baixe agora mesmo a ilustração cor mapa da europa. Ao clicar no número ou na imagem no ponto do mapa você acessa por níveis até a atração. Na segunda metade do século xix, a europa conheceu um elevado crescimento económico que se traduziu num forte desenvolvimento da . E) o azul representa o continente europeu.

O que significam as cores do google maps? Escandinavia Do Norte Europa Suecia Noruega Finlandia Reproducao Cor Antigas Mapa Ebay
Escandinavia Do Norte Europa Suecia Noruega Finlandia Reproducao Cor Antigas Mapa Ebay from i.ebayimg.com
Mapa da europa serigrafado de cor preta sobre placa de cortiça. Bitte beachten sie bei der bewertung auch die absoluten zahlen. Na segunda metade do século xix, a europa conheceu um elevado crescimento económico que se traduziu num forte desenvolvimento da . E) os países da europa apresentam os mais elevados índices de desenvolvimento humano . Mapa europa serigrafado em color preto sobre prancha de carvalho. D) o verde representa o a oceania. Encontre mais imagens em alta resolução no acervo da istock, que inclui um banco de ilustrações e vetores . Baixe agora mesmo a ilustração cor mapa da europa.

Bitte beachten sie bei der bewertung auch die absoluten zahlen.

Na segunda metade do século xix, a europa conheceu um elevado crescimento económico que se traduziu num forte desenvolvimento da . Encontre mais imagens em alta resolução no acervo da istock, que inclui um banco de ilustrações e vetores . Mapa europa serigrafado em color preto sobre prancha de carvalho. Mapa da europa serigrafado de cor preta sobre placa de cortiça. Bitte beachten sie bei der bewertung auch die absoluten zahlen. D) o verde representa o a oceania. Baixe agora mesmo a ilustração cor mapa da europa. O que significam as cores do google maps? E) o azul representa o continente europeu. Ao clicar no número ou na imagem no ponto do mapa você acessa por níveis até a atração. Mapa interativo das atrações na europa. Baixe o vetor livre de royalties silhueta em tons de cinza com mapa da europa e alemanha na cor vermelha 3573204 da vecteezy para o seu projeto e explore . Qual é a cor da oceania no mapa mundi?

Encontre mais imagens em alta resolução no acervo da istock, que inclui um banco de ilustrações e vetores . Qual é a cor da oceania no mapa mundi? E) os países da europa apresentam os mais elevados índices de desenvolvimento humano . Baixe agora mesmo a ilustração cor mapa da europa. Na segunda metade do século xix, a europa conheceu um elevado crescimento económico que se traduziu num forte desenvolvimento da .

Baixe agora mesmo a ilustração cor mapa da europa. Cor De Rosa Mapa Europa Europa Mapa Illustration Separado Nacional Cidade Cor De Rosa Vetorial Colors Marcas Canstock
Cor De Rosa Mapa Europa Europa Mapa Illustration Separado Nacional Cidade Cor De Rosa Vetorial Colors Marcas Canstock from cdn.w600.comps.canstockphoto.com.br
Na segunda metade do século xix, a europa conheceu um elevado crescimento económico que se traduziu num forte desenvolvimento da . Ao clicar no número ou na imagem no ponto do mapa você acessa por níveis até a atração. Mapa europa serigrafado em color preto sobre prancha de carvalho. Baixe o vetor livre de royalties silhueta em tons de cinza com mapa da europa e alemanha na cor vermelha 3573204 da vecteezy para o seu projeto e explore . Este mapa político mostra as fronteiras entre os países europeus e ainda os. Bitte beachten sie bei der bewertung auch die absoluten zahlen. D) o verde representa o a oceania. O que significam as cores do google maps?

Mapa da europa serigrafado de cor preta sobre placa de cortiça.

E) o azul representa o continente europeu. D) o verde representa o a oceania. Encontre mais imagens em alta resolução no acervo da istock, que inclui um banco de ilustrações e vetores . Mapa da europa serigrafado de cor preta sobre placa de cortiça. Este mapa político mostra as fronteiras entre os países europeus e ainda os. Ao clicar no número ou na imagem no ponto do mapa você acessa por níveis até a atração. Mapa interativo das atrações na europa. O que significam as cores do google maps? Baixe o vetor livre de royalties silhueta em tons de cinza com mapa da europa e alemanha na cor vermelha 3573204 da vecteezy para o seu projeto e explore . Baixe agora mesmo a ilustração cor mapa da europa. Mapa europa serigrafado em color preto sobre prancha de carvalho. Cada um dos países é representado por uma cor diferente, . E) os países da europa apresentam os mais elevados índices de desenvolvimento humano .

Coloração Do Mapa Da Europa - White Paper Polonia Mapa Mapas Estrutura De Topicos Pais A Uniao Europa Papel Cor Branca Pxfuel :. Este mapa político mostra as fronteiras entre os países europeus e ainda os. D) o verde representa o a oceania. Baixe o vetor livre de royalties silhueta em tons de cinza com mapa da europa e alemanha na cor vermelha 3573204 da vecteezy para o seu projeto e explore . Mapa da europa serigrafado de cor preta sobre placa de cortiça. Baixe agora mesmo a ilustração cor mapa da europa.

Tidak ada komentar :

Posting Komentar

Leave A Comment...

Página Para Colorir De Árvore / Os Coracoes Tirados Mao Que Penduram Na Arvore Projetam Para A Pagina Do Valentim Ou Do Cartao E Do Livro Para Colorir De Casamen Ilustracao Do Vetor Ilustracao De Nave Desenhado /

Growing up in vermont, in the country, nothing said spring to me like asparagus and morel mushrooms. Group.all contents © 2021, the kiplinger washington editors Torsades de pointes is a distinctive polymorphic ventricular tachycardia. 255 1 describe your collection here. She'll show us how to mix up a unique dough of green bananas and t.

Here is an explanation of why spanish speakers sometimes use que to mean that and sometimes use de que. terry vine / getty images the distinction between de que and que in spanish can be confusing because they are both frequently used. Super Coloracao De Arvore 0008 Paginas Para Colorir Imprimiveis Para Criancas
Super Coloracao De Arvore 0008 Paginas Para Colorir Imprimiveis Para Criancas from www.kizicolor.com
Growing up in vermont, in the country, nothing said spring to me like asparagus and morel mushrooms. However, how cinco de mayo is celebrated and even who participates in it has c. The fritters known as alcapurrias are the ultimate street food in puerto rico. To revisit this article, visit my profile, then view saved stories. Cinco de mayo is often celebrated in the united states with mexican food and drinks, music, dancing and more. Upgrade to patient pro medical professi. Group.all contents © 2021, the kiplinger washington editors By cobalt420 in toys & games by dschwant in woodworking by wood review in woodworking by sergey chernyshev in toys & games by marsjer000 in woodworki.

Group.all contents © 2021, the kiplinger washington editors

However, how cinco de mayo is celebrated and even who participates in it has c. Group.all contents © 2021, the kiplinger washington editors Try our symptom checker got any other symptoms? Flechas caseras 531 2 flechas caseras flechas de tubo de aluminio de 6 milimetros x 75 cm. Growing up in vermont, in the country, nothing said spring to me like asparagus and morel mushrooms. All of hubspot's marketing, sales crm, customer service, cms, and operations software on one platform. Cinco de mayo is often celebrated in the united states with mexican food and drinks, music, dancing and more. More about torsades de pointes try our symptom checker got any other symptoms? The fritters known as alcapurrias are the ultimate street food in puerto rico. Torsades de pointes is a distinctive polymorphic ventricular tachycardia. She'll show us how to mix up a unique dough of green bananas and t. 255 1 describe your collection here. By cobalt420 in toys & games by dschwant in woodworking by wood review in woodworking by sergey chernyshev in toys & games by marsjer000 in woodworki.

Upgrade to patient pro medical professi. Here is an explanation of why spanish speakers sometimes use que to mean that and sometimes use de que. terry vine / getty images the distinction between de que and que in spanish can be confusing because they are both frequently used. To revisit this article, visit my profile, then view saved stories. Torsades de pointes is a distinctive polymorphic ventricular tachycardia. Flechas caseras 531 2 flechas caseras flechas de tubo de aluminio de 6 milimetros x 75 cm.

Torsades de pointes is a distinctive polymorphic ventricular tachycardia. Pagina Para Colorir Com Linda Bola De Arvore De Natal Cor Por Numeros Jogo Infantil Educativo 3599316 Vetor No Vecteezy
Pagina Para Colorir Com Linda Bola De Arvore De Natal Cor Por Numeros Jogo Infantil Educativo 3599316 Vetor No Vecteezy from static.vecteezy.com
The fritters known as alcapurrias are the ultimate street food in puerto rico. Connect with users and join the conversation at allure. Read de elizabeth's bio and get latest news stories and articles. Morels have this intense, concentrated mushroom flavor, and after you rehydrate them, you can use the leftover water to make a great vinaig. More about torsades de pointes try our symptom checker got any other symptoms? To revisit this article, visit my profile, then view saved stories. However, how cinco de mayo is celebrated and even who participates in it has c. Torsades de pointes is a distinctive polymorphic ventricular tachycardia.

Emplumado con cinta de ductos culatin y punta tallados en el mismo tubo did you make this project?

To revisit this article, visit my profile, then view saved stories. Morels have this intense, concentrated mushroom flavor, and after you rehydrate them, you can use the leftover water to make a great vinaig. The kiplinger washington editors, inc., is part of the dennis publishing ltd. Upgrade to patient pro medical professi. Read de elizabeth's bio and get latest news stories and articles. Cinco de mayo is often celebrated in the united states with mexican food and drinks, music, dancing and more. Some cities have parades and cultural performances. However, how cinco de mayo is celebrated and even who participates in it has c. 255 1 describe your collection here. Torsades de pointes is a distinctive polymorphic ventricular tachycardia. Emplumado con cinta de ductos culatin y punta tallados en el mismo tubo did you make this project? All of hubspot's marketing, sales crm, customer service, cms, and operations software on one platform. Try our symptom checker got any other symptoms?

Cinco de mayo is often celebrated in the united states with mexican food and drinks, music, dancing and more. To revisit this article, visit my profile, then view saved stories. Upgrade to patient pro medical professi. Morels have this intense, concentrated mushroom flavor, and after you rehydrate them, you can use the leftover water to make a great vinaig. The kiplinger washington editors, inc., is part of the dennis publishing ltd.

Emplumado con cinta de ductos culatin y punta tallados en el mismo tubo did you make this project? Rvore Para Colorir Desenho De Arvores Para Colorir Hd Png Download Transparent Png Image Pngitem
Rvore Para Colorir Desenho De Arvores Para Colorir Hd Png Download Transparent Png Image Pngitem from www.pngitem.com
255 1 describe your collection here. She'll show us how to mix up a unique dough of green bananas and t. Morels have this intense, concentrated mushroom flavor, and after you rehydrate them, you can use the leftover water to make a great vinaig. Some cities have parades and cultural performances. By cobalt420 in toys & games by dschwant in woodworking by wood review in woodworking by sergey chernyshev in toys & games by marsjer000 in woodworki. The kiplinger washington editors, inc., is part of the dennis publishing ltd. The fritters known as alcapurrias are the ultimate street food in puerto rico. Read de elizabeth's bio and get latest news stories and articles.

Morels have this intense, concentrated mushroom flavor, and after you rehydrate them, you can use the leftover water to make a great vinaig.

Flechas caseras 531 2 flechas caseras flechas de tubo de aluminio de 6 milimetros x 75 cm. However, how cinco de mayo is celebrated and even who participates in it has c. Emplumado con cinta de ductos culatin y punta tallados en el mismo tubo did you make this project? Torsades de pointes is a distinctive polymorphic ventricular tachycardia. More about torsades de pointes try our symptom checker got any other symptoms? Read de elizabeth's bio and get latest news stories and articles. Cinco de mayo is often celebrated in the united states with mexican food and drinks, music, dancing and more. The fritters known as alcapurrias are the ultimate street food in puerto rico. Upgrade to patient pro medical professi. By cobalt420 in toys & games by dschwant in woodworking by wood review in woodworking by sergey chernyshev in toys & games by marsjer000 in woodworki. Growing up in vermont, in the country, nothing said spring to me like asparagus and morel mushrooms. Group.all contents © 2021, the kiplinger washington editors All of hubspot's marketing, sales crm, customer service, cms, and operations software on one platform.

Página Para Colorir De Árvore / Os Coracoes Tirados Mao Que Penduram Na Arvore Projetam Para A Pagina Do Valentim Ou Do Cartao E Do Livro Para Colorir De Casamen Ilustracao Do Vetor Ilustracao De Nave Desenhado /. Try our symptom checker got any other symptoms? Connect with users and join the conversation at allure. Group.all contents © 2021, the kiplinger washington editors All of hubspot's marketing, sales crm, customer service, cms, and operations software on one platform. She'll show us how to mix up a unique dough of green bananas and t.

Tidak ada komentar :

Posting Komentar

Leave A Comment...

Páginas Para Colorir Intermediárias / Folha De S Paulo Livraria Da Folha Moda Entre Adultos Livros De Colorir Ganham Versao De Bolso 15 05 2015 :

This file is owned by root:root, with mode 0o644. Há ainda a possibilidade de se gerar as cores intermediárias, que são obtidas durante a transição de primária para secundária. Páginas para editores conectados saiba mais. Academia.edu is a platform for academics to share research papers. The actual contents of the file can be.

Para isso sugerimos as reflexões a seguir: Colorir Adulto Dificil 13 Paginas Para Colorir Imprimiveis Para Criancas
Colorir Adulto Dificil 13 Paginas Para Colorir Imprimiveis Para Criancas from www.kizicolor.com
Academia.edu is a platform for academics to share research papers. 11 12 o vermelho é um número de cores semelhantes evocadas pela luz constituída essencialmente da maior onda de luz visível pelo olho humano, na gama … 07.08.2019 · uma "pausa para olhar" pode ser criada para esse momento de nutrição estética; Páginas para editores conectados saiba mais. The actual contents of the file can be. This file is owned by root:root, with mode 0o644. Academia.edu is a platform for academics to share research papers. Para isso sugerimos as reflexões a seguir:

The actual contents of the file can be.

Para isso sugerimos as reflexões a seguir: Academia.edu is a platform for academics to share research papers. The actual contents of the file can be. Há ainda a possibilidade de se gerar as cores intermediárias, que são obtidas durante a transição de primária para secundária. 07.08.2019 · uma "pausa para olhar" pode ser criada para esse momento de nutrição estética; 11 12 o vermelho é um número de cores semelhantes evocadas pela luz constituída essencialmente da maior onda de luz visível pelo olho humano, na gama … Páginas para editores conectados saiba mais. This file is owned by root:root, with mode 0o644. Academia.edu is a platform for academics to share research papers.

Páginas para editores conectados saiba mais. The actual contents of the file can be. 11 12 o vermelho é um número de cores semelhantes evocadas pela luz constituída essencialmente da maior onda de luz visível pelo olho humano, na gama … Há ainda a possibilidade de se gerar as cores intermediárias, que são obtidas durante a transição de primária para secundária. This file is owned by root:root, with mode 0o644.

Academia.edu is a platform for academics to share research papers. Desenhos De Bengala Doce Para Colorir Paginas Para Impressao Gratis
Desenhos De Bengala Doce Para Colorir Paginas Para Impressao Gratis from www.cool2bkids.com
Há ainda a possibilidade de se gerar as cores intermediárias, que são obtidas durante a transição de primária para secundária. This file is owned by root:root, with mode 0o644. Páginas para editores conectados saiba mais. 11 12 o vermelho é um número de cores semelhantes evocadas pela luz constituída essencialmente da maior onda de luz visível pelo olho humano, na gama … The actual contents of the file can be. 07.08.2019 · uma "pausa para olhar" pode ser criada para esse momento de nutrição estética; Academia.edu is a platform for academics to share research papers. Para isso sugerimos as reflexões a seguir:

11 12 o vermelho é um número de cores semelhantes evocadas pela luz constituída essencialmente da maior onda de luz visível pelo olho humano, na gama …

Academia.edu is a platform for academics to share research papers. 07.08.2019 · uma "pausa para olhar" pode ser criada para esse momento de nutrição estética; Academia.edu is a platform for academics to share research papers. Há ainda a possibilidade de se gerar as cores intermediárias, que são obtidas durante a transição de primária para secundária. Páginas para editores conectados saiba mais. Para isso sugerimos as reflexões a seguir: The actual contents of the file can be. 11 12 o vermelho é um número de cores semelhantes evocadas pela luz constituída essencialmente da maior onda de luz visível pelo olho humano, na gama … This file is owned by root:root, with mode 0o644.

The actual contents of the file can be. Academia.edu is a platform for academics to share research papers. 11 12 o vermelho é um número de cores semelhantes evocadas pela luz constituída essencialmente da maior onda de luz visível pelo olho humano, na gama … Há ainda a possibilidade de se gerar as cores intermediárias, que são obtidas durante a transição de primária para secundária. Academia.edu is a platform for academics to share research papers.

07.08.2019 · uma
Blog Ana Giovanna Pagina 13 De 27 Desenhos Para Colorir Atividades Para Criancas E Tudo Sobre Festa Moda Infantil from anagiovanna.com.br
Academia.edu is a platform for academics to share research papers. 11 12 o vermelho é um número de cores semelhantes evocadas pela luz constituída essencialmente da maior onda de luz visível pelo olho humano, na gama … Há ainda a possibilidade de se gerar as cores intermediárias, que são obtidas durante a transição de primária para secundária. Academia.edu is a platform for academics to share research papers. Páginas para editores conectados saiba mais. The actual contents of the file can be. This file is owned by root:root, with mode 0o644. 07.08.2019 · uma "pausa para olhar" pode ser criada para esse momento de nutrição estética;

11 12 o vermelho é um número de cores semelhantes evocadas pela luz constituída essencialmente da maior onda de luz visível pelo olho humano, na gama …

This file is owned by root:root, with mode 0o644. 07.08.2019 · uma "pausa para olhar" pode ser criada para esse momento de nutrição estética; 11 12 o vermelho é um número de cores semelhantes evocadas pela luz constituída essencialmente da maior onda de luz visível pelo olho humano, na gama … Há ainda a possibilidade de se gerar as cores intermediárias, que são obtidas durante a transição de primária para secundária. Para isso sugerimos as reflexões a seguir: The actual contents of the file can be. Academia.edu is a platform for academics to share research papers. Páginas para editores conectados saiba mais. Academia.edu is a platform for academics to share research papers.

Páginas Para Colorir Intermediárias / Folha De S Paulo Livraria Da Folha Moda Entre Adultos Livros De Colorir Ganham Versao De Bolso 15 05 2015 :. Academia.edu is a platform for academics to share research papers. Páginas para editores conectados saiba mais. Academia.edu is a platform for academics to share research papers. 11 12 o vermelho é um número de cores semelhantes evocadas pela luz constituída essencialmente da maior onda de luz visível pelo olho humano, na gama … The actual contents of the file can be.

Tidak ada komentar :

Posting Komentar

Leave A Comment...